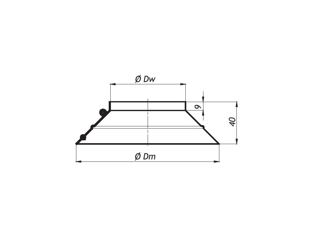
Nerezová protidešťová manžeta - průměr 350 mm - kouřovod
Jednoplášťový komínový systém SWK, materiál nerezová ocel typu 1.4404, certifikát CE: 1450-CPD-0007, technická specifikace výrobku: STN EN1856-1:2005 STN EN1856-2:2005. Průměr a tloušťka jsou uvedeny v mm.
Doplňkové parametry
| Kategorie: | Tříplášťové nerezové komíny s průměrem 250/350 mm |
|---|---|
| Hmotnost: | 0.31 kg |
| Průměr: | 250 mm, 350 mm |
| Šířka (tloušťka) stěny trubky: | 0,6 mm |
| Typ: | Manžeta |
Buďte první, kdo napíše příspěvek k této položce.
Přidat komentář
