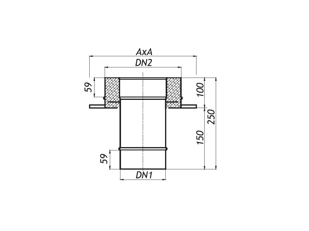
Pata nástavce pro tříplášťový izolovaný komín - průměr 300/400 mm - kouřovod
Trojplášťový komínový systém SKD, materiál nerezová ocel typu 1.4404, certifikát CE: 1450-CPD-0007, technická specifikace výrobku: STN EN1856-1:2005 STN EN1856-2:2005. Průměr a tloušťka jsou uvedeny v mm. Standardně se používá pro odtah spalin ze spotřebičů na pevná paliva, plynových a olejových topných zařízení pracujících na bázi podtlaku.
Doplňkové parametry
| Kategorie: | Tříplášťové nerezové komíny s průměrem 300/400 mm |
|---|---|
| Hmotnost: | 5.2 kg |
| Průměr: | 300 mm, 400 mm |
| Šířka (tloušťka) stěny trubky: | 0,8 mm |
| Typ: | Upevnění paty |
Buďte první, kdo napíše příspěvek k této položce.
Přidat komentář
