ELÍZ EURO 120 XTL Kombinovaný ležatý ohřívač teplé vody (bojler obojživelník) 120l, trubkový výměník tepla, 2 kW
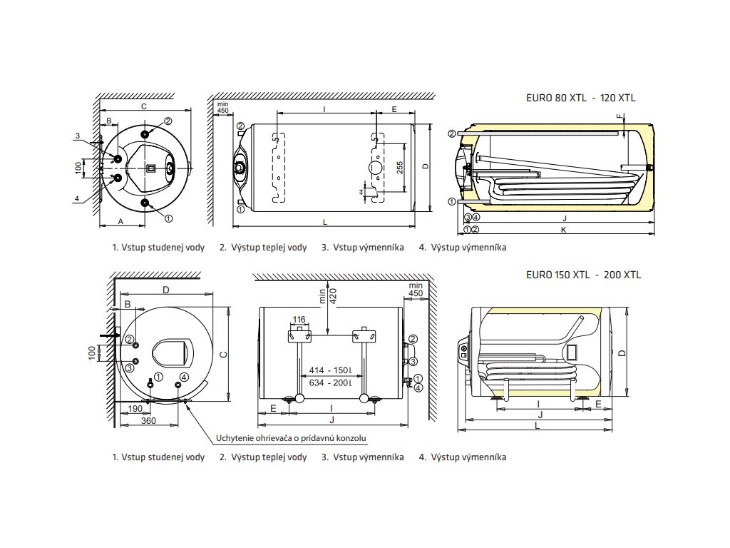
Kombinovaný tlakový ohřívač vody ELIZ EURO 120 XTL o objemu 120 litrů je vhodný pro jedno nebo více míst použití. Je určen pro vodorovnou montáž na stěnu. Součástí je elektrické topení a topný had s možností připojení na kotel ústředního topení. Vývody vody a topení jsou na levé straně.
Nádrž ohřívače vody a topný had jsou vyrobeny z vysoce kvalitní oceli chráněné vrstvou zirkoniového smaltu. Vysoce kvalitní bezfreonová polyuretanová izolace o tloušťce 33 mm zaručuje nízké tepelné ztráty
a úspory nákladů na ohřev vody. Ohřívač má zabudované dvě anodové tyče, které zaručují účinnou ochranu nádrže proti korozi a výrazně prodlužují její životnost.
Při ohřevu pomocí elektrického topného tělesa můžete nastavit teplotu vody v rozmezí 7-75 °C pomocí termostatu na ovládacím panelu, s nastavením režimu ECO. Při objednávání v režimu ECO je voda ohřívána na optimální teplotu 55 °C, což snižuje tepelné ztráty a spotřebu elektrické energie. Minimální hodnota termostatu slouží jako ochrana proti zamrznutí vody v ohřívači. Vypínač s kontrolkou ohřívače slouží k zapnutí/vypnutí ohřívače v naší nepřítomnosti, což umožňuje úsporu energie.
Hlavní výhody a vlastnosti:
- Vysoce výkonný a rychlý ohřev vody
- Horizontální montáž
- Všechny zásuvky z levé strany
- Energetická třída C
- Kvalitní ocelová nádrž a topný had chráněné zirkoniovým smaltem
- Bezfreonová polyuretanová izolace s vysokou hustotou, tloušťka 33 mm
- Nízké tepelné ztráty a nízké provozní náklady díky silné izolaci
- Bezpečnost - jedinečná šestistupňová ochrana
- Dvojitá anodová ochrana nádrže - 2 hořčíkové anody
- Termostat umístěný na ovládacím panelu - rozsah 7 - 75 °C
- Nastavení režimu ECO
- Tepelná pojistka proti přehřátí
- Indikátor teploty
- Vodotěsný spínač s indikátorem probíhajícího ohřevu
- Závěsný držák a kovový pojistný ventil se zpětnou klapkou jsou součástí ohřívače
Doplňkové parametry
| Kategorie: | NÍZKÉ CENY - Kombinované ohřívače vody (bojlery) - obojživelníci |
|---|---|
| Hmotnost: | 42 kg |
| EAN: | 3800035727364 |
| ? Energetická třída: | C |
| Objem: | 120 l |
| Způsob montáže: | Horizontální |
Diskuze
Buďte první, kdo napíše příspěvek k této položce.
